Sections 120.6(j), 140.9(a) and 141.1(b) provides minimum requirements for computer rooms. A computer room is defined in §100.1 as "a room within a building whose primary function is to house electronic equipment and that has a design information technology equipment (ITE) equipment power density exceeding 20 watts/ft2 (215 watts/m2) of conditioned floor area." ITE is defined in §100.1 Definitions and “includes computers, data storage, servers, and network/communication equipment located in a computer room.
Section 120.6(j) prohibits reheating, recooling, or simultaneous heating and cooling in computer rooms. Furthermore, the definition of cooling includes both mechanical cooling and economizers. This provision is to prohibit use of CRAC and CRAH units with humidity controls that include reheat coils.
Section 120.6(j)2 prohibits the use of nonadiabatic humidification for computer rooms. The requirement of humidity control in computer rooms is controversial. On the low-humidity side, humidification was provided to reduce the risk of electrostatic discharge. On the high-humidity side, the concern has been printed circuit board failure due to circuit board metallic filament formations known as conductive anodic filaments. For both of these issues, there is insufficient evidence that the risks are adequately addressed through the use of humidity controls. The telecommunications industry standard for central office facilities has no restrictions on either the low or high humidity limits. Furthermore, the Electrostatic Discharge Association (ESDA) removed humidification as a primary control over electrostatic discharge in electronic manufacturing facilities (ANSI/ESD Standard 20.20) because it was not effective and did not supplant the need for personal grounding. The Energy Code allows for humidification but prohibits the use of nonadiabatic humidifiers, including the steam humidifiers and electric humidifiers that rely on boiling water as both of these add cooling load with the humidity. The technologies that meet the adiabatic requirement are direct evaporative cooling and ultrasonic humidifiers.
Section 120.6(j)3 requires that fans serving computer rooms have either variable-speed control or two-speed motors that provide for a reduction in fan motor power to ≤50% of power at design airflow when the airflow is at 66% of design airflow. This applies to chilled water units of all sizes and DX units with a rated cooling capacity of ≥ 5 tons.
This section requires integrated air or water economizers. If an air economizer is used to meet this requirement, it must be designed to provide 100 percent of the expected system cooling load at outside temperatures of 65°F dry bulb (Tdb) and below or at outside temperatures of 50°F wet bulb (Twb) and below. This is different from the noncomputer-room economizer regulations (§140.4(e)), which require that an air economizer must supply 100 percent of the supply air as outside air. A computer room air economizer does not have to supply any outside air if it has an air-to-air heat exchanger that can meet the expected load at the conditions specified and can be shown (through modeling) to consume no more energy than the standard air economizer. Furthermore, air handlers with cooling capacity greater than 33,000 Btu/hr and air economizers must be equipped with fault detection and diagnostic devices meeting §120.2(i).
If a water economizer is used to meet this requirement, it must be capable of providing 100 percent of the expected system cooling load at outside temperatures of 50°F dry bulb and below or at outside temperatures of 45°F wet bulb and below.
See Chapter 4 for a description of integrated air and water economizers and implementation details.
There are two exceptions to this requirement:
Example 10-5
Question
A new data center is built with a total computer room load of 1,500 tons. If the computer rooms are all served using recirculating chilled water computer room air-handling units (CRAHs) in in-row air-handling units (IRAHs), would this data center meet the requirements of §140.9(a)1 if the chilled water plant had a water-side economizer that complied with the requirements of §140.4(e)?
Answer
Yes, if the economizer can meet 100 percent of the 1,500-ton load at 50°F dry bulb and below or 45°F wet bulb and below. The design conditions in §140.9(a) would require a different heat exchanger and cooling towers than the conditions in §140.4(e) for nonprocess spaces for a given expected load. The load on the cooling towers, while in economizer-only mode, is lower than the design load even if the computer room load is constant because the towers do not have to reject the heat from the chillers. Furthermore, there are no redundancy requirements in the energy code. Many data centers have more cooling towers than needed to meet the design load so that the design load can be met even if one or more towers is not available. If the system is capable of running all cooling towers in economizer-only mode, then all towers can be included in the calculation for determining compliance with this requirement.
Example 10-6
Question
A new data center is built with chilled water CRAH units sized to provide 100 percent of the cooling for the IT equipment. The building also has louvered walls that can open to bring in outside air and fans on the roof that can exhaust air. Does this design meet the requirements of §140.9(a)1?
Answer
Yes, provided that all the following are true:
- The economizer system moves sufficient air so that it can fully satisfy the design IT equipment loads with the CRAH units turned off and the outside air dry bulb temperature at 65°F and below.
- The control system provides integrated operation so that the chilled water coils in the CRAH units are staged down when cool outside air is brought into the data center.
- The economizer system is provided with a high limit switch that complies with §140.4(e). Although fixed dry bulb switches are allowed in §140.4(e) they are not recommended in this application as the set points were based on office occupancies. A differential dry bulb switch would provide greater energy savings.
- Moreover, because the system economizer is separate from the air handler, FDD is not required.
Example 10-7:
Question
A new office building has a central air system with variable-air-volume (VAV) boxes with reheat with an air-side economizer that complies with §140.4(e). This building has two intermediate distribution frame (IDF) rooms with split system DX units; one is 4 tons of capacity, and the other is 7-1/2 tons of capacity. Do the IDF rooms meet the requirements of the Energy Code?
Answer
Not necessarily. Both IDF rooms are required to be served by the central air system economizer of the building. The 4-ton IDF room does not meet Exception 1 to §140.9(a)1 because it is a building with an economizer. Per Exception 4 to §140.9(a)1, the IDF rooms can also be served by split-system DX units without economizers if they are also served by VAV boxes from the VAV reheat system. The DX units must be off when the VAV reheat system has enough spare capacity to meet the IDF loads. The VAV reheat system must be at least twice the capacity of all the IDF rooms. When the office spaces are expected to be unoccupied (for example, at night), the VAV boxes must be shut so that the VAV system can serve only the IDF rooms.
Example 10-8
Question
A new data center employs rear-door heat exchangers that are cooled entirely with water that comes from a closed-circuit fluid cooler. Does this design meet the economizer requirements of §140.9(a)1?
Answer
Yes. The standard definitions for economizer (both air and water) both have the phrase "to reduce or eliminate the need for mechanical cooling." In turn, the definition of mechanical cooling is "lowering the temperature within a space using refrigerant compressors or absorbers, desiccant dehumidifiers, or other systems that require energy from depletable sources to directly condition the space." Since this system does not use compressors, it complies.
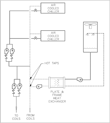
Figure 10-4: Example of Water-Side Economizer Retrofit on a Chilled Water Plant With Air-Cooled Chillers

Source: Energy Code
In §140.9(a)2, fan power for equipment cooling computer rooms is limited to 27W/kBtuh of net sensible cooling capacity. “Net sensible cooling capacity” is the sensible cooling capacity of the coil minus the fan heat. Systems that are designed for a higher airside ΔT (e.g., 25°F) will have an easier time meeting this requirement than systems designed for lower ΔT (e.g., 15°F)
Computer rooms with a design IT equipment load exceeding 10 kW per room are required to have containment to separate the computer equipment inlets and outlets. The requirement can be met using hot-aisle containment, cold-aisle containment, or in-rack cooling. Exceptions are provided for:
- Expansions of existing computer rooms that don't already have containment.
- Computer racks with a design load of < 1 kW/rack (for example, network racks).
- Equivalent energy performance demonstrated to the AHJ through use of CFD or other analysis tools.
Figure 10-5: Example of Aisle Containment Using Chimney Racks

Source: California Energy Commission
Figure 10-6: Example of Aisle Containment Using Hard Partitions and Doors
Section 140.9(a)4 requires that any alternating current-output UPS installed for computer room equipment meet or exceed calculation and testing requirements identified in ENERGY STAR Program Requirements for UPSs – Eligibility Criteria Version 2.0 and that UPS meets or exceeds the minimum average efficiencies in Table 140.9-B. There are three categories of UPSs identified in Table 140.9-B:
- Voltage and frequency dependent
- Voltage independent
- Voltage and frequency independent.
This section requires integrated air or water economizers. If an air economizer is used to meet this requirement, it must be designed to provide 100 percentof the expected system cooling load at outside temperatures of 55°F dry bulb (Tdb) and below or at outside temperatures of 50°F wet bulb (Twb) and below. This is different from the noncomputer-room economizer regulations (§140.4(e)), which require that an air economizer must supply 100 percent of the supply air as outside air. A computer-room air economizer does not have to supply any outside air if it has an air-to-air heat exchanger that can meet the expected load at the conditions specified and can be shown (through modeling) to consume no more energy than the standard air economizer. Furthermore, air handlers with cooling capacity greater than 33,000 Btu/hr and air economizers must be equipped with fault detection and diagnostic devices meeting §120.2(i).
If a water economizer is used to meet this requirement, it must be capable of providing 100 percent of the expected system cooling load at outside temperatures of 40°F dry bulb and below or at outside temperatures of 35°F wet bulb and below.
- Exception 1 to §141.1(b): Computer rooms with an ITE design load less than 5 tons in a building that does not have any economizers. The computer room exception applies only if none of the other cooling systems in the building includes an economizer.
- Exception 2 to §141.1(b): New cooling systems serving an existing computer room in an existing building up to a total of 50 tons of new ITE design load per building.
This exception recognizes that an existing space with capacity for future expansion may not have been sited or configured to accommodate access to outside air.
Above 50 tons IT equipment load you would be forced to either provide economizer cooling or offset the energy loss by using the performance approach. Examples of how to meet this requirement include:
a. Provide the new capacity using a new cooling system that has a complying air or water economizer.
b. If the facility has a chilled water plant, install an integrated water-side economizer with a minimum capacity equal to the new computer room cooling load. Water-side economizers can be added to both air- and water-cooled chilled water plants. - Exception 3 to §141.1(b): New cooling systems serving a new computer room up to a total of 20 tons of ITE load in an existing building. This is similar to the previous exception, but the capacity threshold is lower because you can locate a new space in a location suitable for an integrated economizer.
